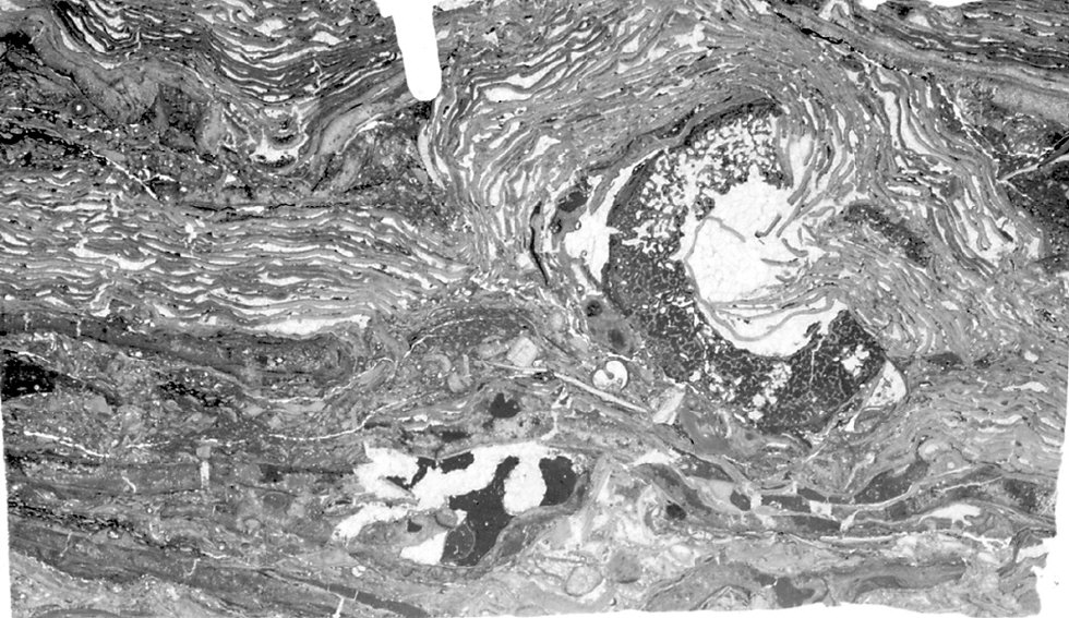
Thin section of algal limestone (with sponge) from base of Worland Limestone

Thin section of Worland Limestone showing cross section of algally
encrusted sponge (resembles the letter "C"). Spicules are visible in
the sponge wall. Algal plates encrusting the sponge extend onto the
sediment on either side. Algal plates grew over the broken side of the
sponge, but later broke and fell into the open space before calcite
cement precipitated to lock everything in place. The notch at top
center was purposely cut into the small slice of rock that was sectioned.
This is the standard way to indicate the "up" direction in a thin section
chip. The field of view is approximately 35 mm wide. The scan is in
black and white for maximum resolution.

Return to first photo

Return to Technical Discussion

Main Menu