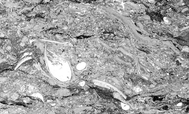
Thin section of hard gray limestone, Worland Limestone

Thin section of hard gray limestone showing skeletal debris embedded in
matrix of more finely fragmented skeletal material and micrite. Fragmented
algal plates and crinoid debris dominate this view; a prominent ostracode
filled with sparry calcite lies at left center. The field of view is about 35 mm
across. The scan is in black and white for maximum resolution.

Return to first photo

Return to Technical Discussion

Main Menu