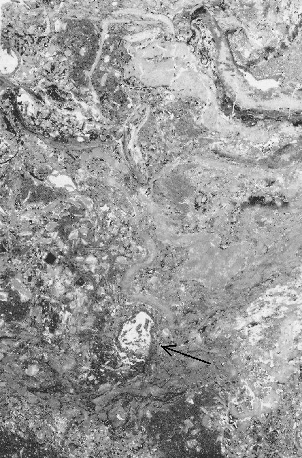
Thin section of limestone clast, conglomerate and limestone unit

This vertically-oriented thin section of a limestone clast from the
conglomerate and limestone unit is significant because it includes a
root structure (arrow). Numerous algal plates show that the limestone
was deposited in marine water, and the root structure shows that the
sediment was later subaerially exposed. Ultimately, the rock was
eroded, producing the clast. The patchy fabric is probably the result
of pedoturbation--mixing of the sediment by the rooting action of
plants. The field of view is about 25 mm across. The scan is in black
and white for maximum resolution.

Return to Technical Discussion

Main Menu